г. Москва, Кавказский бульвар д59с4
+7 (499) 755-55-35 Пн. – Пт.: с 9:00 до 18:00

Высококлассная лазерная
резка и постобработка под ключ!

+7 (499) 755-55-35 Пн. – Пт.: с 9:00 до 18:00

Как читать чертежи металлоконструкций без ошибок?

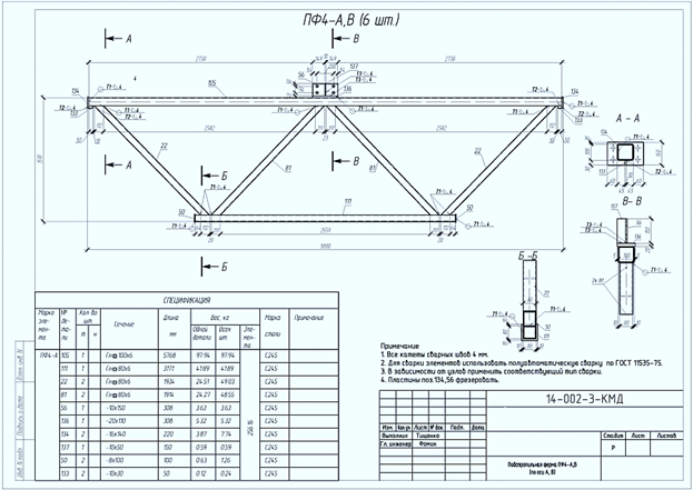
Возведение любых объектов и конструкций требует профессионального подхода. Инженер составляет проект, подкрепленный подробным чертежом, требуемым для выполнения этапов строительства. Но читать чертежи может научиться не только специалист, но и обычный обыватель, зная правила чтения графической технической документации, часть знаний по которым каждый человек получает при изучении черчения в школе и в профессиональных учебных заведениях. Все виды чертежей создаются по единым правилам и ГОСТам, что значительно облегчает их прочтение.

image1.png

Для чего нужны чертежи?

Главное назначение схемы проекта с чертежом – обеспечение максимально четкого контроля безопасности и долговечности объектов строительства, включая металлические конструкции. Схематические изображения предназначены для разных областей промышленности (строительство, машиностроение, кораблестроение, станкостроение), поэтому требуют точности составления и расчетов. Ошибки проектировщика способны привести к непредсказуемым последствиям.

Чертежи для проектов бывают двух типов: КМ (конструкции металлические) или КМД (то же самое, что и предыдущие, но более детализированные). Правила составления схем изложены в ряде нормативных документов:

  • ГОСТ – государственные общепринятые стандарты;
  • СНиП – строительные нормы и правила;
  • ЕСКД – единая система конструкторской документации;
  • СПДС – требования системы проектной документации в строительстве.

Чертежи основаны на сведениях по размерам, габаритам отдельных элементов конструкции, их сборке, узлам, геометрическим формам. На них всегда присутствуют условные обозначения. Использовать готовые схемы можно при выполнении работ с разметкой, сваркой, обработкой и сборкой металлоконструкций.

Например, при строительстве этапы разработки чертежей основаны на заранее проведенных расчетах и проверках объектов архитектуры, земельного участка, выбора ограждений и несущих конструкций. Любая схема, составленная инженером, обязательно сопровождается пояснительными записками, в которых присутствует указание способов и видов проведенных расчетов.

Чертежи требуют точности и разрабатываются вручную или с использованием специальных программ ПО (Advance Steel, Tekla Structures и т.д.). Если в проекте используют схематические изображения КМД, то подробно описывают все элементы конструкции, материалы, из которых они изготовлены, и используемые схемы с разметкой и условными обозначениями.

image2.png

Что представляет собой проект КМ?

Чертежи помогают производителю без ошибок изготовить детали для будущей конструкции, а монтажникам – выполнить сборку любого объекта на строительной площадке или в цеху. Важной особенностью чертежей считается указание мест соединения в процессе монтажа. Разработка сборочной части учитывает также технологические возможности производства, которое будет заниматься выпуском деталей для будущего объекта.

Чертежи КМ разрабатывают с учетом экономичности производства или возведения будущего объекта. Они относятся к важной технической документации, без которой невозможен процесс проектирования. Обозначения на схеме выполняются при помощи цифр, букв, показателей измерения, применяемых международной системой СИ (мм, см, м и др.).

Чертеж КМ содержит сведения про монтажные схемы, места соединений важных узловых элементов (сварные и болтовые), конструкции, не требующие специальной сборки. КМ объединяет на листе схематического изображения буквенное, цифровое и графическое обозначение деталей.

Очень важно уметь читать чертеж сварщику, который будет заниматься соединением узлов. При разработке схем металлоконструкций выбирается масштаб, наиболее понятный и легкий для прочтения и восприятия, с учетом взаимного расположения деталей и отверстий.

Схемы КМ – это общие обозначения и отдельный важный раздел проектной документации, содержащий информацию о типе металлоконструкции и материалах ее изготовления. В чертеже есть обозначения, подробно описывающие сталь (марка, класс) или сплав (все входящие добавки – марганец/Mn, вольфрам/W, алюминий/Al, медь/Cu и т.д.).

В КМ включены расчеты + схемы, разработанные на основе технического задания, предоставленного заказчиком. В проекте указываются:

  • назначение конструкции;
  • место расположения.
  • нормы стандартов (требования) строительства;
  • будущие нагрузки и особенности эксплуатации;
  • влияние атмосферных явлений;
  • возможные механические воздействия;
  • особенности климатического пояса.

Для КМ действует обязательное правило: если металлоконструкция планируется выше 3 этажей, а ее общая площадь превышает 1 500 м2, то составленный проект проходит экспертизу. Только после одобрения КМ начинает разрабатываться и раздел КМД.

Существуют правила оформления проектов КМ, которые включают:

  • лист с текстовой информацией;
  • перечень деталей металлоконструкции с указанием спецификации металлопроката;
  • общую схему расположения элементов и узлов в размерах и маркировке;
  • раздел, посвященный информации о соединительных узлах, с высотными отметками, осями и катетами сварных швов.

Если в проекте используются сложные детали, то к КМ прилагают отдельные листы, в которых указано описание конструкции элементов. Оформляется проект КМ по нормам ГОСТ 26047-2016 и ГОСТ 21.502-2016. Перед работой с чертежами потребуется подтверждение экономической и технической целесообразности работы с объектом на основании ТЭО – технико-экономического обоснования.

Помимо монтажных схем и данных о весе конструкции и отдельных элементов, первые листы могут содержать сведения про покраску и необходимость в антикоррозионной защите, обозначенные в номерах и названиях.

image3.png

Расшифровка в чертежах типов сварных швов

По гос. стандартам, описывающим разные типы сварки (дуговую, газовую), принято выделять несколько разновидностей сварных швов. ГОСТ расшифровывает их по таким обозначениям, использующимся в проектах:

  • Н – нахлесточные;
  • С – стыковые;
  • Т – тавровые;
  • У – угловые;
  • О – особые, не предусмотренные в ГОСТе.

Сварщик должен детально разбираться в технических характеристиках соединений. Стыковые швы выполняются по примыкающим друг к другу кромкам и соединяют крупные элементы. Торцевые используются для соединения торцов и тонкостенных элементов.

Нахлесточные швы используют в местах с наименьшей нагрузкой, а тавровые относят к самым жестким и надежным типам швов. Угловые швы в сварке используют реже остальных, несмотря на то что они характеризуются прочностью и долговечностью.

Из других обозначений швов используются также SS – односторонняя сварка, кроме нахлесточных, а также BS – двусторонний вариант. Данная аббревиатура считается международной, не зависящей от краев обработки.

image4.png

Вид сварных швов на чертеже

Изображение сварных швов бывает на схеме видимым, в виде сплошных линий, и невидимым, для которого используются пунктиры. Скрытые места соединений деталей всегда проходят по обратной стороне собираемой конструкции, а заметные – по лицевой.

Здесь есть один нюанс: одностороннее соединение, которое располагается швом кверху, относится к лицевому. Двустороннее соединение относится к лицевому, если сварной шов был сделан первым, и к симметричному с любым соединением.

На схемы вносят дополнительные знаки, буквенные обозначения типов соединений, а стрелками – линии швов. Над «полкой» указывают видимый шов, а под ней – невидимый. Другие обозначения для выполнения сварных швов:

  • С – тип;
  • С2 – двухсторонний стык;
  • А – сварка/автомат под флюсом, без подушки;
  • АФ – автомат/сварка с флюсовой подушкой;
  • УП – работы в среде с СО2;
  • ИН – работы в газовой среде, с вольфрамовыми стержнями без проволоки с защитой;
  • ИП – сварка плавящимися стержнями (газовая среда);
  • ИНП – использование вольфрамовых стержней + проволока + газовая среда с защитой.

image5.png

Поэтапный план быстрого чтения схематических изображений

Научиться быстро читать чертежи с металлоконструкциями можно, используя такой алгоритм:

1. Изучить и разбираться в основных приемах и правилах нанесения на плоскость изображений объектов с трех сторон.

Необходимо понимать тему и уметь разбираться в особенностях технологического процесса. Потребуется запомнить условные обозначения, прочитать стандарты и правила оформления технической документации. Использовать в работе можно школьные навыки (предмет «Черчение»), подходящие технические стандарты с подробным описанием, требованиями и характеристиками металлоконструкций (например, ГОСТ).

2. Запланировать определенную последовательность действий для качественного восприятия информации, которая имеется или вносится в чертеж.

Потребуется изучить детали, отображенные на схеме, и выделить главную из них. Затем нужно проанализировать форму элементов металлоконструкции и их названия. Следом представить все детали на чертеже, мысленно объединив их в одно целое. Также нужно будет обязательно оценить на основании чертежа размеры объекта и всех составных элементов. Внимательно прочитать пояснения к КМ, из которых получить нужную информацию про масштаб и материалы, составляющие структуру конструкции.

3. Уделить внимание точности указанных на чертеже размеров конструкционных элементов для дальнейшего расчета допусков. Потребуется знание буквенных и цифровых знаков, описанных в ряде технических стандартов как маркировка.

Помимо общего номенклатурного изучения обозначений и работы с таблицей на чертеже потребуется воспользоваться техническим справочниками. Например, для графического описания отверстий и заклепок есть специальная литература, дающая также возможность сверки с таблицами. Указанные в справочниках правила оформления графической и табличной документации максимально упрощены для изучения и чтения, поэтому разобраться с разными нюансами можно за очень короткое время. Главное при этом – не торопиться.

4. Заключительный этап чтения чертежа знакомит с наличием шероховатости отдельных поверхностей деталей, что важно при планировании дальнейшего технического процесса. Здесь детально продумываются этапы производства, условия использования металлоконструкции и способы ее эксплуатации на основании сведений из графической документации.

Читать чертежи металлоконструкций, не допуская ошибок, можно, если проверять все цифры и обозначения. При этом нужно быть последовательным и не торопиться. В чертежах имеют значение нюансы: штриховка, толщина и жирность линий, а также следование правилам международной документации с указанием важных сведений по проекции объекта:

  • H – плоскость по горизонтали;
  • V – плоскость по вертикали;
  • W – плоскость профиля в нужном разрезе.

Всего один лист чертежа может содержать большое количество сведений сразу в трех проекциях, что и обуславливает необходимость в изучении и запоминании условных обозначений. Показателем приобретения навыка прочтения чертежа служит ясное представление после ознакомления с проектом о его производственной обработке (процессе изготовления), назначении и принципе работы.

Умение читать сборочные чертежи металлоконструкций и графическую документацию помогает представлять каждую деталь конструкции по отдельности, в их целостности, принцип взаимного расположения и выполнения общих функций. Помимо конфигурации готового каркаса, чертеж помогает в расчетах – можно рассчитать его вес и продумать количество требуемых заготовок.

Правильное чтение чертежа необходимо для проектировщиков, производителей, монтажников, ремонтников, сборщиков любых объектов, конструкций и сооружений. Доверить работу с составлением проекта с металлоконструкциями лучше профессионалам – инженерам конструкторского бюро.

Читайте также другие статьи по теме:

Отдавая нам в работу ваш проект, вы получаете четко выполненные изделия по низким ценам в обозначенные сроки.

Мы можем помочь в проектировании заказа или доработаем ваш макет.

Прикрепите фото, эскиз или чертеж и получите бесплатный расчет в течении 20-30 минут.

Получите расчет в течении
20-30 минут

Сделайте эскиз или набросок на бумаге и укажите необходимые размеры, а мы переведем все в чертеж и произведем расчет.

Возврат к списку

Наши контакты

г. Москва, Кавказский бульвар д59с4

г. Москва, 1-й Институтский пр-д, д.1

Пн. – Пт.: с 9:00 до 18:00
ООО «Технологии Приборостроения»
почтовый_индекс RU Московская область Москва Кавказский бульвар, 59c4
Телефон: +7 (499) 755-55-35
Почта: info@dtechno.ru
Факс: +7 (499)755-55-35